联系凯发娱乐下载

更多>>

地 址:天津市南开区华苑开华道顶佳孵化器基地2-1401

联系人:郑先生 

手 机:18222701645(微信同号)

电话022-83709778

网 址:http://www.tjzzx.com.cn/

邮 箱:79806464@qq.com


客户留言

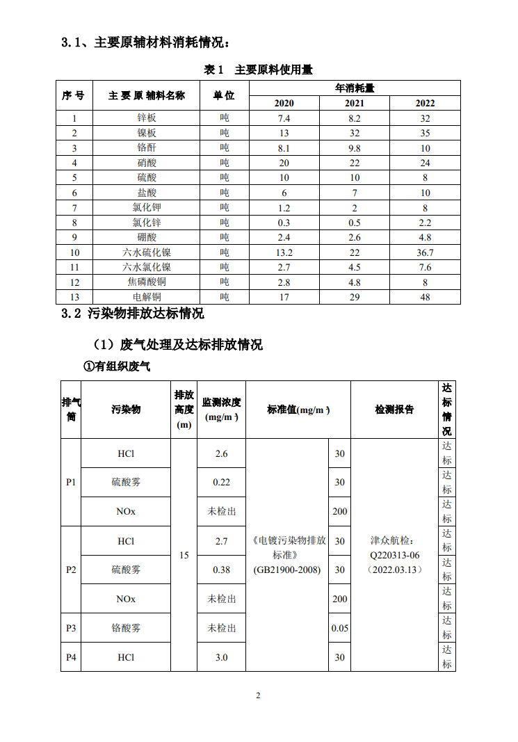
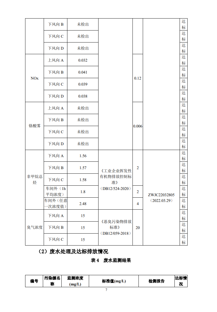
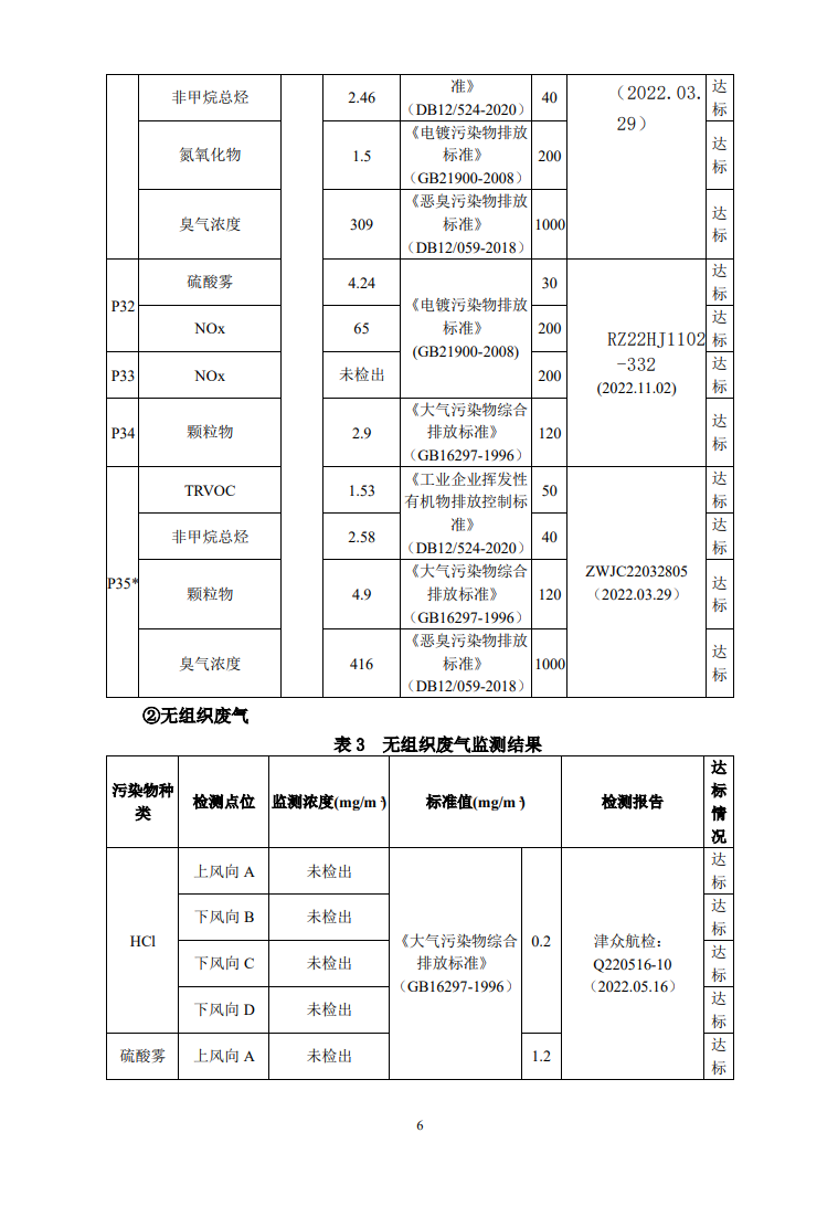
天津利群投资有限公司清洁生产环境信息公示 -k8体育

日期:2024-06-11    作者:    浏览量:782 次

天津中至信科技发展有限公司 凯发娱乐下载的版权所有 凯发娱乐下载的技术支持:

网站地图